MENU
首页
关于我们
公司介绍
公司环境
新闻资讯
工作机会
产品中心
执行元件
控制元件
气源处理元件
气动辅件
下载中心
下载分类一
下载分类二
下载分类三
联系我们
English
首页
关于我们
关于我们
科勒客自动化一家专业的气动元件制造商
公司介绍
公司环境
新闻资讯
工作机会
科技缔造品质,创新引领未来
产品中心
执行元件
控制元件
气源处理元件
气动辅件
薄型气缸
双杆气缸
三杆气缸
自由安装气缸
迷你气缸
气动手指
磁耦式无杆气缸
滑台气缸
旋转气缸
标准气缸
传感器
电磁阀
机械阀
气源处理元件
油压缓冲器
辅助元件
气动接头
部分特殊订制品展示
人气产品
CQ2
SDA
TDA
MA
MXH
MSQ
4V400
AC系列空气过滤器组合(二联件)
新品上市
XCSY
MAR系列调压阀
下载中心
下载中心
科勒客自动化一家专业的气动元件制造商
下载分类一
下载分类二
下载分类三
科技缔造品质,创新引领未来
联系我们
EN
首页
>
产品中心
>
执行元件
>
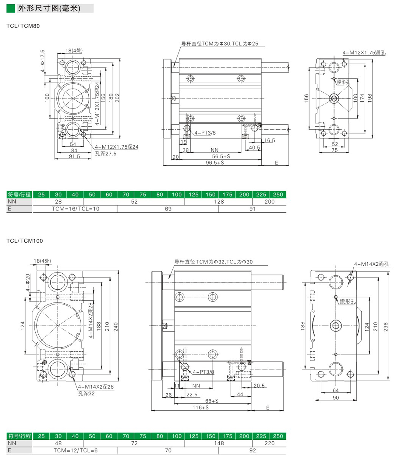
三杆气缸
TCM,TCL
产品详情
文件下载
产品详情
产品概述(型号含义、规格、订货规范、型号表)
文件下载
TCM,TCL
400-805-0587